Över 300 000 kunder - vi säger tack!

40 000+ produkter inom jakt och skytte

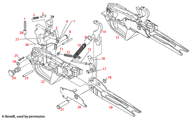
Denna sprängskiss visar detaljerna för avtryckarsystemet i Benelli U.S.A.® Super Black Eagle II, vilket underlättar reparation och underhåll av vapnet.

Benelli U.S.A.® Super Black Eagle II Trigger Assembly Spränkskiss - Utforska detaljerna

Välkommen till vår sida för Benelli U.S.A.® Super Black Eagle II Trigger Assembly Spränkskiss, där du kan hitta en detaljerad sprängskiss av avtryckarsystemet för denna populära hagelgevärsmodell. Denna sprängskiss erbjuder en visuell översikt över de olika komponenterna och deras placering, vilket gör det enklare för både entusiaster och tekniker att förstå konstruktionen. Oavsett om du är intresserad av reparation, underhåll eller bara vill lära dig mer om din utrustning, ger denna sida dig den information du behöver för att arbeta effektivt med din Benelli U.S.A.® Super Black Eagle II. Utforska och upptäck hur varje del bidrar till vapenets prestanda.

Benelli U.S.A.® Super Black Eagle II Trigger Assembly



Benelli U.S.A.® Super Black Eagle II Trigger Assembly Spränkskiss


Benelli U.S.A.® Super Black Eagle II Trigger Assembly
Tryck på den röda siffran för mer information om den delen och möjlighet att lägga produkter i varukorgen. Välj ;Produktlista; för att se alla tillgängliga produkter.

Benelli U.S.A.® Super Black Eagle II Trigger Assembly Parti


Tillbaka till toppen