Över 300 000 kunder - vi säger tack!

40 000+ produkter inom jakt och skytte

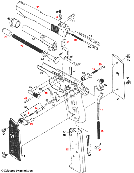
Denna sida erbjuder detaljerade sprängskisser och tekniska illustrationer för Colt® 380-modeller av självmatande pistoler, vilket underlättar reparation och underhåll.

Colt® 380 Models Spränkskiss - Detaljerad översikt av Colt® 380-modeller

Colt® 380 Models Spränkskiss är en omfattande resurs för alla som är intresserade av Colt® 380 automatpistoler. Denna sida erbjuder detaljerade sprängskisser som visar de olika komponenterna och deras placeringar i pistolerna. Här hittar du information som är oumbärlig för både samlare och tekniska entusiaster, inklusive specifikationer och funktioner för varje modell. Med dessa sprängskisser kan användare enkelt förstå konstruktionen och underhållet av sina Colt® 380-pistoler. Utforska våra resurser för att förbättra din kunskap och få insikt i dessa ikoniska vapens design och funktionalitet.

Colt® 380 Models



Colt® 380 Models Spränkskiss


Colt® 380 Models
Tryck på den röda siffran för mer information om den delen och möjlighet att lägga produkter i varukorgen. Välj ;Produktlista; för att se alla tillgängliga produkter.

Colt® 380 Models Parti


Tillbaka till toppen