Över 300 000 kunder - vi säger tack!

40 000+ produkter inom jakt och skytte

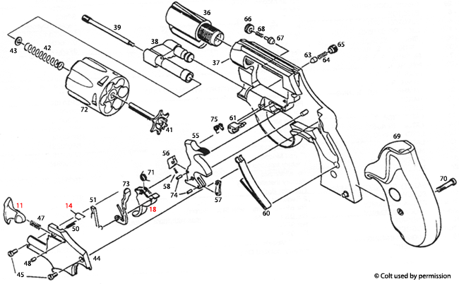
Detaljerad teknisk illustration av Colt® SF-VI revolver, som visar komponenter och deras placering för underlättad reparation och förståelse av vapnet.

Colt® SF-VI Spränkskiss - Utforska detaljerna bakom designen

Denna sida erbjuder en djupgående översikt av Colt® SF-VI, en av de mest ikoniska revolvrarna i Colt®-serien. Här kan du hitta detaljerade sprängskisser som visar de olika komponenterna och deras funktioner. Genom att studera dessa skisser får du en bättre förståelse för hur denna revolver är konstruerad och hur varje del samverkar för att skapa en pålitlig och effektiv pistol. Oavsett om du är en samlare, en entusiast eller bara nyfiken på vapen, erbjuder denna sida värdefull information och insikter. Utforska de detaljerade illustrationerna och lär dig mer om Colt® SF-VI och dess historia.

Colt® SF-VI



Colt® SF-VI Spränkskiss


Colt® SF-VI
Tryck på den röda siffran för mer information om den delen och möjlighet att lägga produkter i varukorgen. Välj ;Produktlista; för att se alla tillgängliga produkter.

Colt® SF-VI Parti


Tillbaka till toppen