Över 300 000 kunder - vi säger tack!

40 000+ produkter inom jakt och skytte

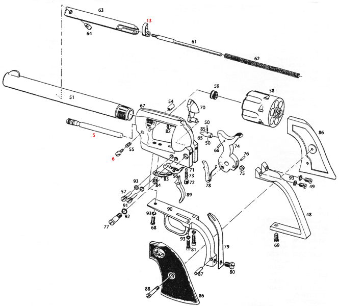
Denna sprängskiss visar detaljerade komponenter och sammansättning av Colt® Single Action Army 3rd Gen. B.P. ram, vilket underlättar reparation och underhåll.

Colt® Single Action Army 3rd Gen. B.P. Frame Spränkskiss - Detaljerad teknisk översikt

Välkommen till sidan för Colt® Single Action Army 3rd Gen. B.P. Frame Spränkskiss, där du hittar en omfattande och detaljerad sprängskiss för denna ikoniska revolver. Denna spränkskiss erbjuder en djupgående insikt i vapnets konstruktion och komponenter, vilket gör den ovärderlig för både samlare och tekniska entusiaster. Här kan du utforska varje del av revolvern, från ramen till avtryckaren, och förstå hur dessa delar samverkar för att skapa en funktionell enhet. Oavsett om du är en hobbyist eller professionell, kommer denna resurs att ge dig den information du behöver för att uppskatta och underhålla din Colt® Single Action Army.

Colt® Single Action Army 3rd Gen. B.P. Frame



Colt® Single Action Army 3rd Gen. B.P. Frame Spränkskiss


Colt® Single Action Army 3rd Gen. B.P. Frame
Tryck på den röda siffran för mer information om den delen och möjlighet att lägga produkter i varukorgen. Välj ;Produktlista; för att se alla tillgängliga produkter.

Colt® Single Action Army 3rd Gen. B.P. Frame Parti


Tillbaka till toppen