Över 300 000 kunder - vi säger tack!

40 000+ produkter inom jakt och skytte

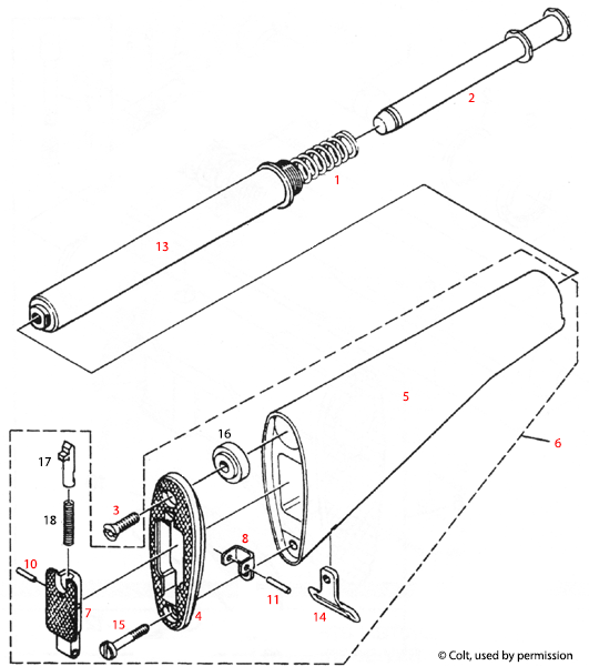
Denna sprängskiss visar detaljerna för Colt® AR-15 bakstocksmontage, inklusive alla komponenter och deras placering för enkel montering och reparation.

Colt® AR-15 Buttstock Assembly Spränkskiss - Detaljerad visning av komponenter

Välkommen till sidan för Colt® AR-15 Buttstock Assembly Spränkskiss, där vi erbjuder en djupgående och detaljerad illustration av buttstock-assemblaget för Colt® AR-15. Här kan du utforska de olika delarna som ingår i denna viktiga komponent, vilket ger dig en klar förståelse för dess funktion och konstruktion. Med våra sprängskisser kan både entusiaster och yrkesverksamma få en visuell representation av hur delarna samverkar. Oavsett om du är intresserad av reparation, modifiering eller bara vill lära dig mer om din AR-15, är denna sida en ovärderlig resurs. Upptäck mer om design och funktionalitet hos Colt®-produkter!

Colt® AR-15 Buttstock Assembly



Colt® AR-15 Buttstock Assembly Spränkskiss


Colt® AR-15 Buttstock Assembly
Tryck på den röda siffran för mer information om den delen och möjlighet att lägga produkter i varukorgen. Välj ;Produktlista; för att se alla tillgängliga produkter.

Colt® AR-15 Buttstock Assembly Parti


Tillbaka till toppen