Över 300 000 kunder - vi säger tack!

40 000+ produkter inom jakt och skytte

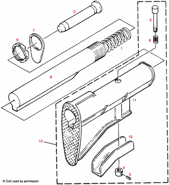
Denna schematisk illustration visar detaljerna för Colt® AR-15 glidande kolvmontering, inklusive komponenter och deras placering för montering och underhåll.

Colt® AR-15 Sliding Buttstock Assembly Spränkskiss - Detaljerad översikt av komponenter

Välkommen till vår sida för Colt® AR-15 Sliding Buttstock Assembly Spränkskiss! Här hittar du en detaljerad och informativ sprängskiss som visar alla viktiga delar av Colt® AR-15:s glidande kolvmontering. Denna sprängskiss är utformad för att ge både entusiaster och tekniker en klar förståelse av komponenternas layout och funktion. Med tydliga illustrationer och märkningar kan du enkelt identifiera varje del och dess roll i systemet. Oavsett om du är en erfaren användare eller nybörjare, kommer denna sprängskiss att vara en ovärderlig resurs för reparationer, underhåll och anpassning av din AR-15.

Colt® AR-15 Sliding Buttstock Assembly



Colt® AR-15 Sliding Buttstock Assembly Spränkskiss


Colt® AR-15 Sliding Buttstock Assembly
Tryck på den röda siffran för mer information om den delen och möjlighet att lägga produkter i varukorgen. Välj ;Produktlista; för att se alla tillgängliga produkter.

Colt® AR-15 Sliding Buttstock Assembly Parti


Tillbaka till toppen