Över 300 000 kunder - vi säger tack!

40 000+ produkter inom jakt och skytte

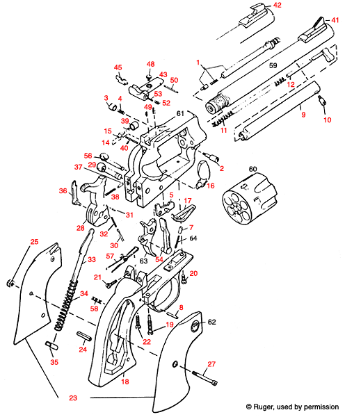
Detaljerad sprängskiss som visar alla komponenter och deras placering för Ruger® New Model Blackhawk revolver, vilket underlättar reparation och underhåll.

Ruger® New Model Blackhawk Spränkskiss - Detaljerad översikt av din revolver

Välkommen till sidan för Ruger® New Model Blackhawk Spränkskiss, där du kan utforska detaljerade sprängskisser för denna ikoniska revolver. Här hittar du illustrationer och tekniska specifikationer som ger dig en djupare förståelse för vapnets konstruktion och funktion. Våra sprängskisser är perfekta för både entusiaster och tekniker som vill lära sig mer om reparation och underhåll. Oavsett om du är en erfaren skytt eller nybörjare, kommer du att uppskatta den noggranna detaljrikedomen och de praktiska insikterna som dessa skisser erbjuder. Upptäck mer om din Ruger® Blackhawk idag!

Ruger® New Model Blackhawk



Ruger® New Model Blackhawk Spränkskiss


Ruger® New Model Blackhawk
Tryck på den röda siffran för mer information om den delen och möjlighet att lägga produkter i varukorgen. Välj ;Produktlista; för att se alla tillgängliga produkter.

Ruger® New Model Blackhawk Parti


Tillbaka till toppen