Över 300 000 kunder - vi säger tack!

40 000+ produkter inom jakt och skytte

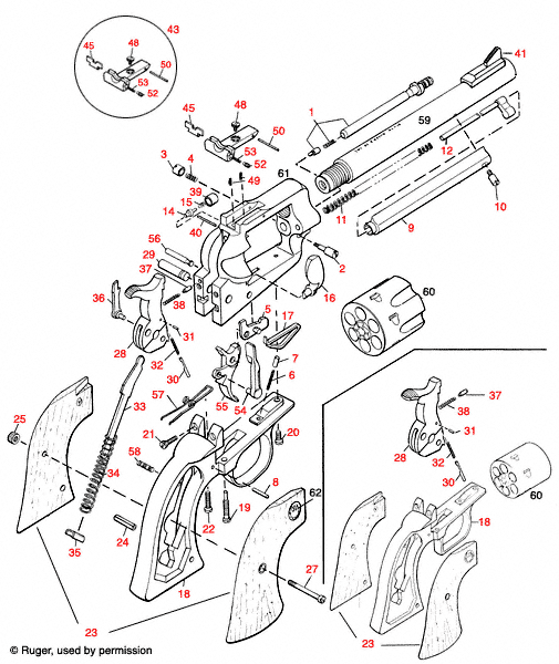
Denna sprängskiss visar detaljerade komponenter och monteringsanvisningar för Ruger® Super Blackhawk revolver, vilket underlättar reparation och underhåll.

Ruger® Super Blackhawk Spränkskiss - Detaljerad teknisk översikt

Välkommen till sidan för Ruger® Super Blackhawk Spränkskiss, där du hittar omfattande och detaljerade sprängskisser för denna ikoniska revolver. Här kan du utforska de olika komponenterna och deras funktioner, vilket ger en djupare förståelse för vapnets konstruktion och mekanik. Oavsett om du är en entusiast, samlare eller tekniker, är dessa sprängskisser ovärderliga för reparationer, underhåll och anpassningar. Vi erbjuder tydliga illustrationer och beskrivningar som gör det enkelt att navigera genom de olika delarna av Ruger® Super Blackhawk, vilket säkerställer att du har all information du behöver för att arbeta med detta fantastiska vapen.

Ruger® Super Blackhawk



Ruger® Super Blackhawk Spränkskiss


Ruger® Super Blackhawk
Tryck på den röda siffran för mer information om den delen och möjlighet att lägga produkter i varukorgen. Välj ;Produktlista; för att se alla tillgängliga produkter.

Ruger® Super Blackhawk Parti


Tillbaka till toppen