Över 300 000 kunder - vi säger tack!

40 000+ produkter inom jakt och skytte

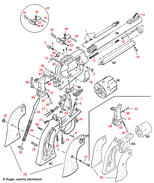
Denna sprängskiss visar detaljerade komponenter och monteringsanvisningar för Ruger® Super Blackhawk Hunter revolver, vilket underlättar reparation och underhåll.

Ruger® Super Blackhawk Hunter Spränkskiss - Utforska detaljerna i din revolver

Välkommen till sidan för Ruger® Super Blackhawk Hunter sprängskiss. Här hittar du en detaljerad och informativ sprängskiss som visar alla komponenter av denna kraftfulla revolver. Denna sprängskiss är ett ovärderligt verktyg för både entusiaster och tekniker, som vill förstå den exakta konstruktionen och funktionaliteten hos Ruger® Super Blackhawk Hunter. Genom att använda denna sprängskiss kan du enkelt identifiera delar och få insikt i hur vapnet är uppbyggt. Oavsett om du är en samlare, jägare eller bara nyfiken på vapenteknik, erbjuder denna sida en djupgående översikt av din revolver.

Ruger® Super Blackhawk Hunter



Ruger® Super Blackhawk Hunter Spränkskiss


Ruger® Super Blackhawk Hunter
Tryck på den röda siffran för mer information om den delen och möjlighet att lägga produkter i varukorgen. Välj ;Produktlista; för att se alla tillgängliga produkter.

Ruger® Super Blackhawk Hunter Parti


Tillbaka till toppen