Över 300 000 kunder - vi säger tack!

40 000+ produkter inom jakt och skytte

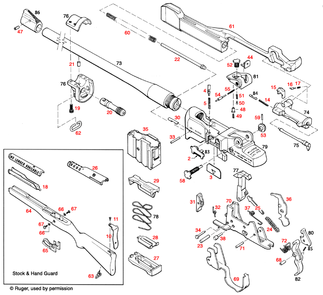
Denna sprängskiss visar detaljerade komponenter och deras placering för Ruger® Mini-14 med serienummerprefix 181-186, vilket underlättar reparation och underhåll.

Ruger® Mini-14 Serial Prefix 181-186 Spränkskiss - Detaljerad visning av din Ruger® Mini-14

Välkommen till vår sida för Ruger® Mini-14 Serial Prefix 181-186 Spränkskiss! Här hittar du en omfattande sprängskiss som ger en detaljerad översikt av Ruger® Mini-14-modeller med serienummer 181 till 186. Denna sprängskiss är ett ovärderligt verktyg för både entusiaster och tekniker som vill förstå sin utrustning på djupet. Med tydliga illustrationer och märkningar kan du enkelt identifiera varje komponent och dess funktion. Oavsett om du utför reparationer, underhåll eller bara vill lära dig mer om din Ruger® Mini-14, är denna sida en oumbärlig resurs.

Ruger® Mini-14 Serial Prefix 181-186



Ruger® Mini-14 Serial Prefix 181-186 Spränkskiss


Ruger® Mini-14 Serial Prefix 181-186
Tryck på den röda siffran för mer information om den delen och möjlighet att lägga produkter i varukorgen. Välj ;Produktlista; för att se alla tillgängliga produkter.

Ruger® Mini-14 Serial Prefix 181-186 Parti


Tillbaka till toppen