Över 300 000 kunder - vi säger tack!

40 000+ produkter inom jakt och skytte

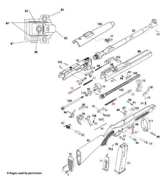
Denna detaljerade sprängskiss visar komponenterna och konstruktionen av Ruger® PC 9/40 Carbine, vilket underlättar förståelsen av vapnets uppbyggnad och funktion.

Ruger® PC 9/40 Carbine Spränkskiss - Utforska detaljerna bakom din karbin

Välkommen till sidan för Ruger® PC 9/40 Carbine Spränkskiss, där du hittar detaljerade sprängskisser som ger en djupgående insikt i konstruktionen av denna populära karbin. Sprängskisserna visar varje komponent och dess placering, vilket underlättar förståelsen av vapnets funktion och design. Oavsett om du är en entusiast, en tekniker eller bara nyfiken, erbjuder denna sida en värdefull resurs. Med hjälp av dessa skisser kan du enkelt identifiera delar, planera reparationer eller bara njuta av den tekniska skönheten i Ruger® PC 9/40. Dyk ner i detaljerna och upptäck vad som gör denna karbin unik!

Ruger® PC 9/40 Carbine



Ruger® PC 9/40 Carbine Spränkskiss


Ruger® PC 9/40 Carbine
Tryck på den röda siffran för mer information om den delen och möjlighet att lägga produkter i varukorgen. Välj ;Produktlista; för att se alla tillgängliga produkter.

Ruger® PC 9/40 Carbine Parti


Tillbaka till toppen