Över 300 000 kunder - vi säger tack!

40 000+ produkter inom jakt och skytte

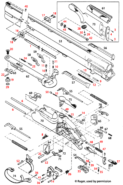
Denna sprängskiss visar detaljerade komponenter och monteringsanvisningar för Ruger® Red Label O/U med serienummerprefix 401/411/420, vilket underlättar reparation och underhåll.

Ruger® Red Label O/U S/N Prefix 401/411/420 Spränkskiss - Detaljerad översikt av din shotgun

Välkommen till vår sida för Ruger® Red Label O/U sprängskisser! Här hittar du detaljerade sprängskisser som hjälper dig att förstå och underhålla din Ruger® Red Label shotgun med S/N-prefix 401, 411 och 420. Våra sprängskisser är utformade för att ge en klar och tydlig bild av varje komponent i vapnet, vilket gör det enklare för både nybörjare och erfarna användare att utföra reparationer och underhåll. Oavsett om du behöver hjälp med montering, demontering eller identifiering av delar, erbjuder vi den information du behöver för att hålla din shotgun i toppskick. Upptäck hur du kan maximera prestandan hos din Ruger® shotgun med våra resurser!

Ruger® Red Label O/U S/N Prefix 401/411/420



Ruger® Red Label O/U S/N Prefix 401/411/420 Spränkskiss


Ruger® Red Label O/U S/N Prefix 401/411/420
Tryck på den röda siffran för mer information om den delen och möjlighet att lägga produkter i varukorgen. Välj ;Produktlista; för att se alla tillgängliga produkter.

Ruger® Red Label O/U S/N Prefix 401/411/420 Parti


Tillbaka till toppen